Çok seviyeli eviriciler (Multilevel Inverters, MLI), doğru akım (DC) kaynaklı elektrik enerjisini, birden fazla çıkış gerilim seviyesinde alternatif akıma (AC) dönüştüren güç elektroniği dönüştürücüleridir. Bu yapılar, yüksek gerilim ve yüksek güçlü uygulamalarda, çıkış dalga formunun harmonik içeriğini azaltmak, anahtarlama elemanlarının üzerindeki gerilim gerilimlerini sınırlamak ve enerji verimliliğini artırmak amacıyla geliştirilmiştir. Özellikle yenilenebilir enerji sistemleri, HVDC iletim, motor sürücüleri ve elektrikli taşıt teknolojilerinde yaygın kullanım alanına sahiptir.

Yedi Seviye Çok Seviyeli Evirici Çıkış Gerilimi Gösterimi
Tarihsel Gelişim
İlk çok seviyeli evirici yapısı 1975 yılında tanıtılmış; 1980’li yıllarda diyot-kenetli topolojiyle birlikte uygulama alanı genişlemiştir. Takip eden yıllarda uçan kapasitörlü ve kdemelit H-köprüsü topolojileri geliştirilmiş; 2000'li yıllardan itibaren modülerlik, harmonik azaltımı ve verimlilik gereksinimlerinin artmasıyla birlikte bu yapılar ileri düzey kontrol teknikleriyle donatılmıştır. Günümüzde çok seviyeli eviriciler, şebeke bağlantılı güneş enerjisi sistemlerinden elektrikli araç tahrik sistemlerine kadar birçok alanda temel güç dönüştürme birimi olarak işlev görmektedir.
Başlıca Topolojiler
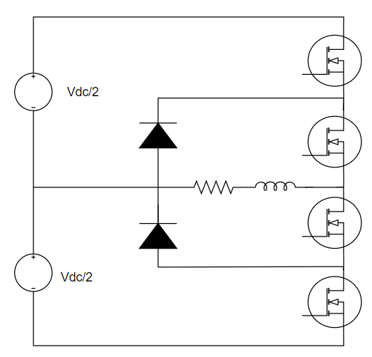
Diyot-Kenetli Evirici (NPC)
Neutral Point Clamped (NPC) topolojisi, DC bağlantıya bağlı kondansatörlerin arasında yerleştirilen klemp diyotlar sayesinde faz kolunu farklı gerilim seviyelerine bağlar. Üç seviyeli NPC yapısı endüstride yaygın kullanıma sahiptir. Dört veya daha fazla seviyeye ulaşılması, diyot sayısındaki artış ve kapasitör gerilimlerinin dengelenmesi gibi zorluklar nedeniyle sınırlıdır. Bu yapı genellikle orta gerilimli motor sürücülerinde tercih edilir.

Tek-Faz Üç Seviye Diyot-Kenetli Evirici Topolojisi
Uçan Kapasitörlü Evirici (FC)
Flying Capacitor (FC) topolojisinde her bir faz kolu, uçan kapasitörlerle birlikte çok seviyeli çıkış üretir. Bu yapı, klemp diyotlara ihtiyaç duymadan çalışır ve faz içi anahtarlama yedekliliğiyle kondansatör voltajlarının dengelenmesine olanak tanır. Buna karşın, başlangıç şarj süreci ve kapasitör gerilim regülasyonu uygulama karmaşıklığını artırır.
Kaskat H-Köprüsü Evirici (CHB)
CHB topolojisi, her biri bağımsız bir DC kaynakla beslenen H-köprüsü hücrelerinin seri bağlanmasıyla oluşur. Modüler yapısı, her hücrenin bağımsız olarak kontrol edilebilmesi ve harmonik bastırma kapasitesi, bu yapıyı fotovoltaik (PV) uygulamalarda özellikle uygun kılar. Simetrik yapılar, tüm hücrelerde eşit DC gerilimi kullanırken; asimetrik yapılar farklı seviyelerde gerilim kullanarak daha az hücre ile daha yüksek çıkış seviyeleri elde edebilir.
Hibrit ve Azaltılmış Bileşenli Yapılar
Hibrit yapılarda farklı çok seviyeli topolojiler bir arada kullanılır. Örneğin, bir faz kolunun yüksek gerilim aşaması NPC yapıda, düşük gerilim aşaması ise CHB yapıda olabilir. Bu yaklaşım, anahtarlama elemanı sayısını azaltarak maliyeti ve sistem karmaşıklığını düşürür. RDC (Reduced Device Count) yapılar ise aynı amaçla sadeleştirilmiş konfigürasyonlar sunar.
Modülasyon Teknikleri
Taşıyıcı Tabanlı PWM
Taşıyıcı tabanlı PWM tekniklerinde sinüzoidal referans sinyali, N-1 adet üçgen taşıyıcı sinyalle karşılaştırılır. Bu teknik sabit anahtarlama frekansı, dijital kontrolcüyle kolay entegrasyon gibi avantajlar sunar. En yaygın varyantları:
- Phase Disposition (PD): Tüm taşıyıcılar aynı fazdadır. Basit uygulama sağlar.
- Phase Opposition Disposition (POD): Taşıyıcılar üst ve alt olarak iki gruba ayrılır ve 180° fazlı yerleştirilir.
- Alternate Phase Disposition (APOD): Her taşıyıcı bir öncekine göre ters fazlıdır.
Seçici Harmonik Eliminasyon (SHE-PWM)
SHE, belirli harmoniklerin çıkıştan silinmesi amacıyla anahtarlama açılarını optimize eder. Fourier serisi analizi yardımıyla belirli harmoniklerin genliklerini sıfıra indiren bu yöntem, özellikle yüksek güçlü ve düşük anahtarlama frekanslı sistemlerde kullanılır. Ancak çevrim içi kontrolü zordur.
Uzay Vektör Modülasyonu (SVM)
SVM, üç fazlı sistemlerin iki boyutlu vektör düzlemine dönüştürülmesini ve uygun anahtarlama vektörlerinin seçilmesini içerir. Harmonik bastırma performansı yüksektir ve DC gerilim kullanımında daha etkindir. Ancak çok seviyeli sistemlere uygulanması karmaşıktır.
Kontrol Teknikleri
PI ve PR Denetleyiciler
PI (Proportional-Integral) denetleyici, hata sinyalinin integralini kullanarak sistem cevabını oluşturur. Genellikle gerilim ve akım regülasyonu için temel denetleyicidir. PR (Proportional-Resonant) denetleyici, AC referans sinyallerinde sıfır hata performansı sunar; rezonans yapısı sayesinde belirli frekanstaki hataları etkili şekilde bastırır.
Çift Halkalı Kontrol
Bu yöntem, iç akım döngüsü ve dış gerilim döngüsünden oluşur. İç döngü, çıkış akımını düzenlerken; dış döngü, DC bağlantı voltajını veya şebeke gerilimini izler. Bu yapı, sistemin kararlılığını artırır ve dinamik koşullara adaptasyonu iyileştirir.
Gelişmiş Kontrol Yöntemleri
- Histerezis Kontrol: Akımın belirli bir tolerans bandını aşmasıyla anahtarlama gerçekleşir. Hızlıdır ancak sabit frekansta çalışmaz.
- Model Tabanlı Öngörücü Kontrol (MPC): Gelecekteki sistem davranışı modellenerek optimum anahtarlama seçilir.
- Kapasitör Voltaj Dengeleme: FC ve NPC yapıların kararlı çalışması için gerekli olan kapasitör gerilimlerinin regülasyonu, yedek anahtarlama durumları veya sıfır-sekans voltaj enjeksiyonu yoluyla sağlanır.
Güneş Enerjisi Sistemlerine Özgü Kontrol Şemaları
Şebeke bağlantılı fotovoltaik sistemlerde, çok seviyeli eviricilerin kontrolü hem güç kalitesi hem de enerji yönetimi açısından kritik önemdedir. Bu tür uygulamalarda genellikle aşağıdaki kontrol yapıları kullanılır:
MPPT ile Entegre Çift Halkalı Kontrol
Güneş paneli çıkış gücünü maksimize etmek için Maksimum Güç Noktası Takibi (MPPT) algoritması uygulanır (örneğin Perturb and Observe). MPPT’nin belirlediği referans gerilim, DC bağlantı gerilim döngüsüne iletilir. Çıkış akımı, şebeke senkronizasyonlu bir referansla karşılaştırılır ve PR tipi iç akım denetleyiciyle izlenir.
Şebeke Senkronizasyonu
Çıkış akımı, şebeke gerilimiyle faz uyumlu olmalıdır. Bu amaçla Faz Kilitlemeli Döngü (Phase Locked Loop – PLL) kullanılarak şebeke frekansı ve fazı izlenir. Bu sayede şebekeye aktif güç aktarımı sağlanır ve reaktif güç kontrolü gerçekleştirilebilir.
Harmonik Bastırma ve Güç Faktörü Kontrolü
PR denetleyici üzerinden çok seviyeli yapıdan kaynaklanan harmonikler bastırılır. Aynı zamanda, şebekeye gönderilen akımın fazı ayarlanarak güç faktörü birim değere yakın tutulur veya kullanıcı isteğine göre reaktif güç sağlayacak biçimde düzenlenir.
Topolojilerin Karşılaştırılması
1. Diyot-Kenetli Evirici (NPC):
- Modülerlik düzeyi düşüktür; sistemin genişletilmesi karmaşıktır.
- Anahtarlama elemanı ve diyot sayısı yüksektir, özellikle üç seviyeden sonra yapının karmaşıklığı artar.
- Kapasitör voltajlarının dengede tutulması zordur, aktif dengeleme yöntemleri gerektirir.
- Genellikle orta gerilimli endüstriyel motor sürücülerinde ve HVDC sistemlerinde tercih edilir.
2. Uçan Kapasitörlü Evirici (FC):
- Orta düzeyde modülerliğe sahiptir, ancak her faz için çok sayıda kondansatör gerekir.
- Klemp diyotlara ihtiyaç duymaz, bunun yerine faz içi gerilim dengelemesi yapılabilir.
- Kapasitörlerin başlangıçta şarj edilmesi ve gerilimlerinin kontrolü gereklidir.
- UPS sistemleri, düşük güçlü PV uygulamaları gibi sınırlı alanlarda kullanılır.
3. Kaskat H-Köprüsü Evirici (CHB):
- Yüksek düzeyde modülerdir; hücrelerin bağımsız kontrolü mümkündür.
- Anahtarlama elemanı sayısı orta düzeydedir, modülerlik sayesinde genişletilebilirlik kolaydır.
- Asimetrik yapı ile daha az hücre kullanarak daha yüksek çıkış seviyesi elde edilebilir.
- Şebeke bağlantılı güneş enerjisi sistemleri, rüzgar türbinleri ve dağıtık enerji uygulamalarında yaygındır.
4. Hibrit Yapılar ve Azaltılmış Bileşenli Topolojiler:
- Modülerlik ve yapı özellikleri topoloji kombinasyonuna göre değişkendir.
- Anahtarlama elemanı sayısı, geleneksel yapılara göre azaltılmıştır.
- Kontrol karmaşıklığı artabilir, özellikle kapasitör voltaj dengesi ve modülasyon senkronizasyonu zorluk yaratabilir.
- Yüksek güçlü veya özelleştirilmiş endüstriyel sistemlerde tercih edilir.

