Buck converter, giriş gerilimini düşürerek sabit bir çıkış gerilimi elde etmek için kullanılan bir DC-DC dönüştürücü topolojisidir. Bu dönüştürücü, anahtar elemanları (genellikle MOSFET), indüktör, diyot ve kapasitör kullanarak enerjiyi verimli bir şekilde dönüştürür. Çalışma prensibi, anahtar elemanının açılıp kapanmasıyla enerjinin düzenli bir şekilde depolanıp serbest bırakılmasını sağlamaktır.
Buck Dönüştürücü Topolojisi
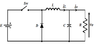
Buck dönüştürücüler bir adet anahtar(Genellikle MOSFET), bir adet kondansatör, bobin, diyot ve yükten oluşan bir devredir. Buck dönüştürücü devresi şekil 1'de gösterilmiştir
1. Anahtar Elemanı (MOSFET veya IGBT)
Anahtar, buck dönüştürücünün en önemli elemanlarından biridir. Çalışma sırasında, anahtarın açılıp kapanması, enerjinin indüktörde depolanmasına ve ardından çıkışa iletilmesine olanak tanır. Anahtar, genellikle MOSFET (Metal-Oxide-Semiconductor Field-Effect Transistor) veya IGBT (Insulated Gate Bipolar Transistor) gibi yarı iletken bileşenlerden biriyle yapılır.
2. Indüktör
İndüktör, buck dönüştürücünün enerji depolama elemanıdır. Anahtar açıkken indüktör enerji depolar, anahtar kapalıyken ise bu enerjiyi çıkışa ileterek çıkış geriliminin sabit kalmasını sağlar. İndüktör, aynı zamanda akım dalgalanmasını da azaltır. Yüksek frekansta çalışan buck dönüştürücülerde, indüktörün büyük bir indüktans değerine sahip olması gerekir ki, çıkış akımındaki dalgalanmalar düşük olsun.
3. Diyot
Diyot, anahtar kapalı olduğunda, indüktörde depolanan enerjinin çıkışa doğru akışını sağlayan elemandır. Serbest akışa izin verir, ancak ters yöndeki akımı engeller. Buck dönüştürücülerde, diyotun görevi, indüktörün manyetik enerjisinin serbest bırakılması ve çıkışa iletilmesidir. Bu diyotun doğru seçilmesi, verimliliği etkiler.
4. Kapasitör
Kapasitör, buck dönüştürücülerde çıkış gerilimini düzeltmek için kullanılır. Çıkışa bağlanan kapasatör, dalgalanmayı (ripple) azaltır ve çıkış geriliminin sabit kalmasını sağlar. Yük değişimleri sırasında, kapasite de enerji depolayarak çıkış gerilimini düzenler. Bu eleman, sistemin verimliliğini artırır ve istenmeyen dalgalanmaları azaltır.
5. Yük
Buck dönüştürücünün yükü, çıkışa bağlı olan elektronik cihaz veya sistemdir. Yük, çıkış geriliminden beslenen cihazı temsil eder. Yük değeri arttıkça, çıkış gerilimi üzerindeki etkisi de artar, bu nedenle buck dönüştürücüler genellikle yük değişimlerine karşı stabil kalacak şekilde tasarlanır.

Şekil 1. Buck Dönüştürücü (Kaynak:ResearchGate)
Buck Dönüştürücü Çalışma Modları
1) Anahtar İletimdeyken: Giriş gerilimi doğrudan indüktöre uygulanır ve indüktör bu enerjiyi manyetik alanında depolar. Bu süreçte, akım zamanla artar. Kapasitör, çıkış geriliminin dalgalanmasını engeller ve sabit kalmasını sağlar. Aynı zamanda diyot, ters yönde polarize olduğu için devre dışıdır. Bu aşama, enerjinin depolanması ve çıkışa iletilmeden önce düzenlenmesi için kritik öneme sahiptir. Şekil 2'de anahtar iletimdeyken devre gösterimi verilmiştir.

Şekil 2. Buck Dönüştürücü İletim Modunda. (Kaynak: Mühendis Beyinler)
2) Anahtar İletimde Değilken: İndüktörde depolanan enerji, diyot aracılığıyla çıkışa aktarılır. İndüktör, depoladığı enerjiyi serbest bırakırken, çıkış akımını sağlar ve akım azalır. Diyot, doğru yönde iletim yaparak enerji çıkışa iletilir. Bu sırada kapasitatör, çıkış geriliminin düzgün kalmasını sağlar ve yük değişimlerine karşı çıkışı stabil tutar. Bu aşama, enerjinin çıkış yüküne iletilmesini sağlar ve buck dönüştürücünün verimli bir şekilde çalışmasını sağlar. Şekil 3'de anahtar iletimde olmadıgı zaman devre gösterimi verilmiştir.

Şekil 3. Buck Dönüştürücü İletimde Değilken. (Kaynak: Mühendis Beyinler)
Kullanım Alanları
Buck converter, genellikle düşük çıkış gerilimlerine ihtiyaç duyulan sistemlerde kullanılır. Bu tür sistemler arasında güç kaynakları, batarya şarj cihazları, elektronik cihazlar ve motor sürücüleri gibi uygulamalar yer alır. Bu topoloji, yüksek verimliliği ve sade yapısı ile güç elektroniği sistemlerinde yaygın olarak tercih edilir.


