Gerilmeli korozyon çatlaması (Stress Corrosion Cracking, SCC), metal malzemelerde eş zamanlı olarak bir çekme gerilmesi (genellikle statik/durgun gerilme) ve korozif bir ortam bulunduğunda meydana gelen özel bir çatlaklı korozyon hasarı türüdür. Bu süreçte metal yüzeyinde belirgin bir korozyon belirtisi olmadan mikro-çatlaklar gelişir ve malzemede aniden beklenmedik kırılmalara yol açabilir. Nitekim SCC, üniform (homojen) korozyondan farklı olarak gözle görülebilir bir malzeme kaybı olmaksızın kritik bileşenlerin ani şekilde arızalanmasına neden olabilir.

Gerilmeli Korozyon Çatlaması (Lou et al., 2017)【1】
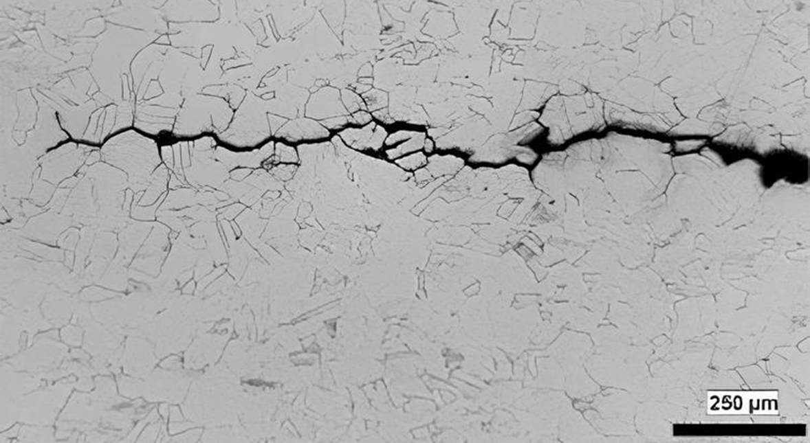
SCC sonucu oluşan çatlaklar içi pas dolu ince çatlaklar şeklindedir. Çatlak ilerleyip metal tamamen kırıldığında kırılma yüzeyinin bir kısmı yoğun paslı, diğer kısmı ise temiz fakat gevrek bir kırılma yüzeyi şeklinde görülür. Bu durum, çatlağın yavaş yavaş korozyon etkisiyle ilerlediğini ancak son kopmanın mekanik olarak aniden gerçekleştiğini gösterir. Gerilmeli korozyon çatlakları, malzemenin akma dayanımından çok daha düşük gerilim seviyelerinde dahi başlayabilir. Yani normalde dayanabileceği bir yük altında sadece korozyonun etkisiyle çatlaklar tetiklenebilir. Üstelik bu çatlaklar çoğunlukla gözle fark edilemeyecek kadar küçüktür ve yüzeyde belirgin bir paslanma ürünü oluşmadığı için tespiti güçleşir. Bu nedenle SCC, endüstride zorlu tespit edilebilen ve ciddi güvenlik riskleri doğurabilen bir hasar mekanizması olarak bilinir.
Oluşum Mekanizması
Gerilmeli korozyon çatlamasının oluşabilmesi için üç temel etkenin bir arada bulunması gerekir: uygun malzeme yapısı, uygulanan (veya kalıntı) çekme gerilmesi ve onu destekleyen korozif ortam. Malzeme yüzeyinde uygulanan çekme gerilimi, mikroyapıda kayma adımları (dislokasyon hareketleri) oluşturarak metalin koruyucu pasif oksit tabakasında küçük kırılmalar yaratır. Korozif ortam, bu kırılan bölgelerden metalin içine nüfuz eder ve çatlak ucunda yerel anodik çözünmeye (yani metalin lokal olarak çözünerek zayıflamasına) yol açar. Çatlak ucundaki gerilim yığılması nedeniyle oluşan bu lokal korozyon, çatlağın ilerlemesine imkân tanır. Çatlak büyüdükçe, o bölgedeki gerilim yoğunluğu bir süre düşse de kesit daralması nedeniyle ortalama gerilme yeniden artar ve böylece çatlak ilerleyişi tekrar hız kazanır. Bu kısır döngü, çatlağın gitgide hızlanarak kısa sürede parçanın ani kırılmasıyla sonuçlanmasına neden olabilir.
SCC yalnızca çekme gerilmeleri altında oluşur. Basma gerilmeleri altında bu tür bir çatlak ilerlemesi gerçekleşmez. Ayrıca gerilimin karakteri de önemlidir. Bahsedilen çatlaklanma genellikle sabit çekme gerilmeleri altında görülür. Eğer gerilme değişken/dinamik ise (sürekli tekrarlı yüklemeler), korozyonla birlikte oluşan hasar korozyon yorulması olarak adlandırılır ve SCC’den farklı bir mekanizmadır. Çatlaklar mikroskobik boyutta başladığından, başlangıçta malzeme yüzeyinde gözle görülür bir değişim olmaz. Zamanla mikro-çatlaklar birleşip büyür ve malzeme dışarıdan sağlam görünürken içten içe ilerleyen çatlak ağı, kritik bir boyuta ulaştığında malzeme ani ve gevrek bir şekilde kırılır.

Intergranüler ve Transgranüler Gerilmeli Korozyon Çatlaması (Yapay Zeka Tarafından Oluşturulmuştur)
Gerilmeli korozyon çatlakları malzemenin mikroyapısına ve ortam kimyasına bağlı olarak farklı morfolojilerde ilerleyebilir. Örneğin, bazı malzeme-ortam kombinasyonlarında çatlaklar tane sınırları boyunca (intergranüler) ilerlerken, bazılarında tane içinde düzensiz bir yol izleyerek (transgranüler) ilerler. Bu durum malzemenin iç yapısına (taneler arası karbür çökelmesi, faz dağılımı vb.) ve korozyon türüne bağlıdır. Örneğin, paslanmaz çelikler klorür ortamında genelde transgranüler SCC gösterirken, malzeme taneler arası krom yoksullaşması gibi bir hassaslaşma geçirmişse çatlaklar tane sınırlarını takip edebilir. SCC, hem mekanik gerilimin hem de korozyonun aynı anda mevcut olduğu oldukça karmaşık bir hasar mekanizmasıdır.
Etkileyen Faktörler
Malzeme, gerilme ve ortam unsurlarının her biri SCC üzerinde belirleyici role sahiptir. İlk olarak, metalin kimyasal bileşimi ve mikro yapısı önemlidir. Gerilmeli korozyon çoğunlukla belirli alaşımlarda görülür. Saf metallere kıyasla alaşımlar bu tür korozyona daha yatkındır. Malzemenin ısıl işlem geçmişi, tane yapısı ve içinde bulunan ikinci fazlar/hatalar SCC duyarlılığını etkiler. Örneğin yüksek karbon içerikli, taneler arası karbür çökelmesine uğramış bir östenitik paslanmaz çelik (standart 304 kalite), klorürlü ortamlarda SCC'ye karşı daha hassasken, karbonu azaltılmış veya stabilize edilmiş alaşımlar (316L paslanmaz) çok daha dirençli olabilir. Benzer şekilde dubleks (çift fazlı) paslanmaz çelikler, yapılarındaki ferrit-östenit dengesi sayesinde klorür kaynaklı gerilme çatlamasına karşı üstün direnç gösterir ve bu nedenle kimya tesisleri ile deniz mühendisliği uygulamalarında tercih edilir.
Ortam koşulları, SCC’nin oluşmasında kritik bir faktördür. Çoğu zaman SCC, belli başlı kimyasal ajanların varlığında ortaya çıkar. Örneğin klorür iyonları, paslanmaz çeliklerde en yaygın SCC sebebidir. Amonyak ise bakır-çinko alaşımlarında mevsim çatlağı" (season cracking) adı verilen SCC türüne yol açar. Güçlü alkaliler yüksek sıcaklıklarda karbon çeliklerinde "kostik kırılganlık" olarak bilinen SCC tipini tetikleyebilir. Güçlü asitler veya diğer özel kimyasallar de uygun malzemelerde SCC hasarı oluşturabilir. Ortamdaki çözünmüş oksijen miktarı da etkilidir. Bazı alaşımlarda oksijen varlığı pasif tabakayı bozarak SCC'yi hızlandırabilir.

Gerilmeli Korozyon Çatlağı Oluşmuş Bir Malzemenin Görüntüsü (Popov, 2015)【2】
Gerilmeli korozyon çatlaması, çekme gerilmesi altındaki metallerde oluşur. Bu gerilme sadece dış yüklerden değil, kaynak sonrası soğuma ya da soğuk şekillendirme gibi işlemlerden kalan kalıntı gerilmelerden de kaynaklanabilir. Bu yüzden kaynak yapılmış veya şekil verilmiş parçalar, korozif ortamda çatlamaya daha yatkındır. Gerilme ve sıcaklık arttıkça çatlak oluşumu hızlanır.
Endüstride Gözlemlendiği Sektörler
Gerilmeli korozyon çatlaması, endüstride en kritik hasar türlerinden biridir ve birçok sektörde ciddi güvenlik riskleri oluşturur. En çok petrol–doğal gaz, petrokimya, enerji üretimi (özellikle nükleer santraller), denizcilik ve havacılık alanlarında görülür. Bu sektörlerde kullanılan ekipmanlar genellikle hem yüksek çekme gerilmesi altında çalışan hem de korozif kimyasallarla temas eden parçalardır.

Gerilmeli Korozyon Çatlaması Sonucu Oluşan Kırılmanın Kesit Görüntüsü (Vandermaat et al., 2016)【3】
Örneğin, petrokimya tesislerinde boru hatları iç basınç ve kimyasal ortam nedeniyle SCC’ye yatkındır. Nükleer reaktörlerdeki paslanmaz çelik ısı eşanjörleri, sıcak ve klorür içeren ortamlarda çatlak geliştirebilir. Deniz yapılarında deniz suyundaki klorür iyonlarıyla birlikte sürekli gerilme altında kalma, klorür kaynaklı çatlamalara neden olur. Havacılıkta ise iniş takımları, motor parçaları ve bağlantı elemanları gibi yüksek dayanımlı alaşımlar, nemli veya tuzlu ortamlarda zamanla SCC hasarı gösterebilir.
Bu sektörler SCC’ye karşı özellikle hassastır çünkü yüksek basınç, sıcaklık ve agresif kimyasalların bir arada bulunduğu ağır çalışma koşulları söz konusudur. Ayrıca bu alanlarda yaygın kullanılan paslanmaz çelik, nikel ve titanyum alaşımları, uygun olmayan çevresel koşullarda çatlamaya duyarlıdır. Örneğin, sülfürlü ortamlarda çalışan rafineri çeliklerinde sülfür kaynaklı SCC, kostik ortamda çalışan boru sistemlerinde ise kostik SCC gözlenir. Bu nedenle bu tür endüstrilerde, gerilmeli korozyon çatlamasının erken tespiti, düzenli izlenmesi ve önleyici malzeme seçimi büyük önem taşır.

Vidalı Bağlantıda Dişlerde Oluşan Gerilmeli Korozyon Çatlaması (Yapay Zeka Tarafından Oluşturulmuştur)
Önleme ve Korunma Yöntemleri
Gerilmeli korozyon çatlamasını önlemenin en etkili yolu, malzeme seçimi ve tasarım aşamasında doğru önlemleri almaktır. Her şeyden önce, çalışma ortamına kimyasal olarak dayanıklı malzemeler tercih edilmelidir. Örneğin, klorürlü ortamlarda östenitik paslanmaz çelikler yerine dubleks paslanmaz çelikler kullanmak çatlama riskini önemli ölçüde azaltır.
Ayrıca, yapıda oluşan çekme gerilmeleri en aza indirmek gerekir. Kaynak veya şekillendirme sonrası oluşan kalıntı gerilmeler, uygun sıcaklıklarda yapılan gerilme giderme tavı ile azaltılabilir. Bunun yanında, yüzeyde basma gerilmesi oluşturan işlemler (shot peening) çatlakların başlamasını engeller.
Ortamın korozif etkisini azaltmak da bir diğer stratejidir. Bu amaçla korozyon inhibitörleri kullanılabilir, zararlı iyonların (özellikle klorür) miktarı kontrol altında tutulabilir ve koruyucu kaplamalar uygulanabilir.
Tamamen önlenemese bile, düzenli denetim ve tahribatsız muayene yöntemleriyle erken tespit mümkündür. Kritik ekipmanlarda belirli bir kullanım ömrü belirleyip zamanında yenileme yapılması da büyük önem taşır. Bu önlemler birlikte uygulandığında, SCC riski ciddi biçimde azalır ve endüstriyel tesislerin güvenliği artar.

